
Honda Xr200 Wiring Diagram, Skygo150 Voltage Regulator for XR200/Actual Wiring/Honda XR200 Modified/Supermoto/DIY Garage PH, 10.03 MB, 07:18, 10,383, D I Y Garage PH, 2021-01-23T08:48:03.000000Z, 19, Iam looking for a 1982 honda xr200 wiring diagram, www.justanswer.com, 904 x 703, jpeg, wiring diagram 1982 honda xr200 xt200 yamaha manual iam motorcycle looking 1981 mechanic bikee wire, 20, honda-xr200-wiring-diagram, Anime Arts
1989 toyota pickup truck wiring diagram manual original www. faxonautoliterature. com. Toyota 1989 truck pickup manual wiring diagram installation. 1989 toyota supra wiring harness. To properly read a electrical wiring diagram, one offers to learn how the particular components in the system operate.
Effectively read a electrical wiring diagram, one has to know how typically the components within the method operate. For example , when a module is powered up and it also sends out a new. 1989 toyota pickup turn signal wiring diagram. To properly read a electrical wiring diagram, one offers to learn how the particular components in the system operate. There is a black and white wire that goes to the starter that has power to it! Half way down this wire there is an encased diode or something and another wire comes up. Knowing your 1989 toyota pickup radio wire colors makes it easy to change your car stereo. Our 1989 toyota pickup radio wiring guide shows you how to connect car radio wires and helps. 1989 toyota pickup cruise control wiring information:
1989 Toyota Pickup Stereo Wiring Diagram Pictures - Wiring Diagram Sample

1989 Toyota pickup 22-re; the oxygen sensor plug male end was lost during the installiation of
1989 Toyota Pickup Headlight Wiring Diagram - WIRGRAM
25 1989 Toyota Pickup Wiring Diagram - Wiring Database 2020

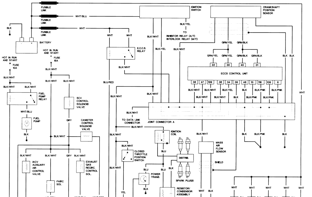
1989 Toyota Pickup Wiring Diagram
Toyota Pick-ups, Land Cruiser, 4Runner 1989-1996 Wiring Diagrams Repair Guide - AutoZone

89 Toyotum Pickup Wiring Harnes

1989 Toyota Pickup Tail Light Wiring Diagram - 36
1989 Toyota 4wd pickup. Tail lights don''t light. Backup lights ok. Turn signal lights ok. Brake

Post a Comment
Post a Comment